



Tủ điện năng lượng mặt trời là gì? Cấu tạo và vai trò trong hệ thống điện mặt trời
Tổng quan về tủ điện năng lượng mặt trời: Cấu tạo CB DC/AC, chống sét và nguyên lý hoạt động. Hướng dẫn chọn tủ điện phù hợp cho gia đình, nhà xưởng.

Biến tần là gì? Tác dụng của biến tần trong hệ thống điện mặt trời
Tổng quan về biến tần (Inverter) điện mặt trời: Cấu tạo, nguyên lý MPPT và phân loại. Hướng dẫn chọn thiết bị đúng công suất cho gia đình cùng CoCo Solar.

Thiết kế hệ thống điện mặt trời - Quy trình, tiêu chuẩn và lưu ý kỹ thuật
Tìm hiểu quy trình thiết kế hệ thống điện mặt trời chuẩn kỹ thuật, các tiêu chuẩn TCVN – IEC và những lưu ý quan trọng để đạt hiệu suất cao, an toàn khi vận hành

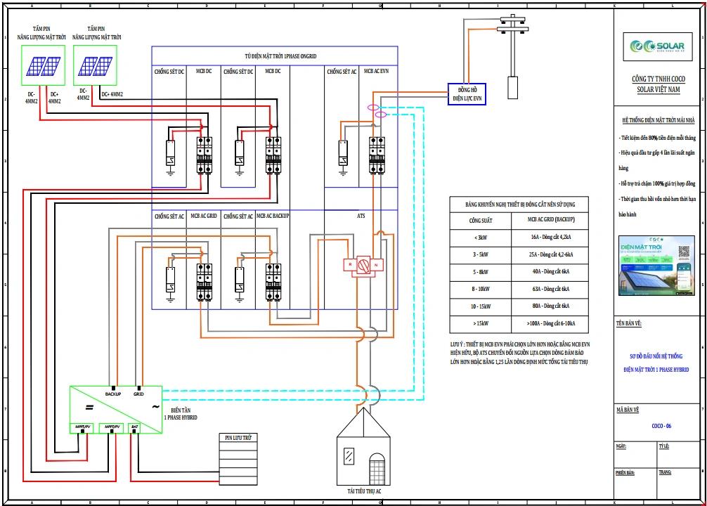
Bản vẽ thiết kế điện năng lượng mặt trời áp mái
Tham khảo bản vẽ thiết kế điện năng lượng mặt trời on grid, hybrid, 1 pha. CoCo Solar cung cấp giải pháp khảo sát – thiết kế – thi công trọn gói đạt chuẩn IEC.

CoCo Solar & SolarTrust chính thức ký kết đối tác chiến lược - mở rộng năng lực triển khai điện mặt trời trên toàn quốc
Ngày 25/7, SolarTrust chính thức trở thành đơn vị đồng hành cùng CoCo Solar trong hệ sinh thái điện mặt trời dân dụng - đánh dấu bước mở rộng quan trọng cả về quy mô thi công lẫn dịch vụ cung cấp.

CoCo Solar & Quang Thanh Solar ký kết hợp tác toàn diện - Tạo dựng hệ sinh thái song hành cùng phát triển
Ngày 23/07/2025, CoCo Solar và Quang Thanh Solar đã chính thức ký kết thỏa thuận hợp tác toàn diện, đánh dấu bước tiến chiến lược trong hành trình phát triển hệ sinh thái điện mặt trời dành cho hộ gia đình tại Việt Nam.

CoCo Solar, BIDV và các thương hiệu hàng đầu hợp tác áp dụng nghị định 135
Vào ngày 20/02 vừa qua, một sự kiện "chấn động" đã diễn ra tại trụ sở BIDV chi nhánh Hà Đông, CoCo Solar chính thức ký kết Biên bản ghi nhớ (MOU) với các đối tác chiến lược hàng đầu Việt Nam và trên thế giới trong ngành tài chính và năng lượng bao gồm: BIDV, Huawei, JA Solar, Trina Solar, Jinko Solar và Sungrow.

Lắp đặt điện mặt trời mái nhà đơn giản và tiết kiệm với CoCo Solar
CoCo Solar giúp cho việc lắp đặt điện mặt trời mái nhà trở nên đơn giản, tiết kiệm và hiệu quả, giúp cho các hộ gia đình và doanh nghiệp giảm thiểu chi phí điện năng.

Ứng dụng CoCo Solar: Giải pháp sử dụng điện mặt trời tối ưu cho người Việt
CoCo Solar không chỉ là giải pháp năng lượng tối ưu mà còn đem lại nhiều giá trị cho người dùng với cam kết luôn đồng hành cùng người Việt trên hành trình chuyển đổi tương lai xanh.

CoCo Solar bắt tay nhiều đối tác phát triển điện mặt trời
CoCo Solar ký kết hợp tác với BIDV, Sungrow, JA Solar, Trina Solar, Jinko Solar và Huawei thúc đẩy phát triển điện mặt trời áp mái tại Việt Nam, hôm 20/2.