
08:24 - 03/11/2025
Trong bất kỳ dự án điện năng lượng mặt trời nào, bản vẽ thiết kế năng lượng mặt trời luôn là nền tảng quan trọng nhất để đảm bảo hệ thống hoạt động an toàn, hiệu quả và đúng tiêu chuẩn kỹ thuật. Một bản vẽ chuẩn không chỉ giúp đội thi công dễ dàng triển khai, mà còn tối ưu công suất, tiết kiệm chi phí và hạn chế rủi ro trong quá trình vận hành.
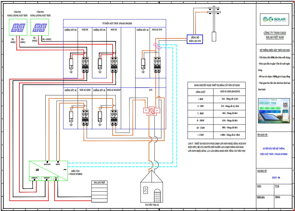
Bản vẽ thiết kế điện mặt trời là tài liệu kỹ thuật thể hiện chi tiết cách bố trí, lắp đặt và đấu nối các thành phần của hệ thống điện năng lượng mặt trời. Đây là cơ sở để kỹ sư, nhà thầu và chủ đầu tư có thể thống nhất về quy mô, phương án lắp đặt và khối lượng vật tư cần sử dụng.
Một bản vẽ thiết kế tiêu chuẩn thường bao gồm:
Để có thể triển khai bản vẽ thiết kế đạt chuẩn, kỹ sư cần thu thập và phân tích nhiều yếu tố khác nhau, bao gồm:
Dữ liệu vị trí lắp đặt:
Xem thêm: Hướng lắp pin năng lượng mặt trời tốt nhất, tối ưu công suất
Nhu cầu sử dụng điện của khách hàng:
Xem thêm: Cách tính toán công suất điện mặt trời áp mái phù hợp với nhu cầu
Điều kiện kỹ thuật:
Tiêu chuẩn kỹ thuật & an toàn:
Những yếu tố này là dữ liệu đầu vào bắt buộc để phần mềm thiết kế (như PVsyst, AutoCAD hoặc SketchUp) có thể cho ra bản vẽ chính xác và khả thi về mặt kỹ thuật.





Khi thực hiện bản vẽ, kỹ sư cần lưu ý một số điểm quan trọng để tránh sai sót kỹ thuật:
Một bản vẽ thiết kế điện mặt trời chuẩn xác là yếu tố quyết định đến tuổi thọ và hiệu quả đầu tư của toàn bộ hệ thống. Nếu bạn không có chuyên môn kỹ thuật, việc tự thiết kế có thể gây rủi ro về an toàn và hiệu suất.

Là chuyên gia trong lĩnh vực năng lượng tái tạo với hơn 15 năm kinh nghiệm trong ngành thiết bị điện và năng lượng mặt trời. Tốt nghiệp Đại học Bách Khoa Hà Nội với chuyên ngành Kỹ sư Hệ thống điện và Thạc sĩ Quản trị Kinh doanh. Ông Dũng định hướng phát triển các giải pháp năng lượng bền vững, thân thiện với môi trường.
Với vai trò Founder & CEO của CoCo Solar, ông tiên phong ứng dụng công nghệ và AI để số hóa toàn bộ quy trình lắp đặt điện mặt trời, mang đến trải nghiệm đơn giản, minh bạch và hiệu quả cho người dùng. Ông Dũng hiện là một trong những gương mặt tiêu biểu thúc đẩy xu hướng chuyển đổi xanh và sử dụng năng lượng tái tạo tại Việt Nam.
Bài viết liên quan